Допуски на шайбы (ISO 4759-3:2000)
Распространяется на шайбы со стандартами: ISO, DIN, DIN ISO, DIN EN ISO.
|
1 ![]() |
2 ![]() |
|
3 |
4 ![]() |
|
5 ![]() |
6 ![]() |
|
7 ![]() |
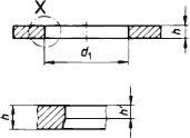
Приведенные в рисунке шайбы используются в качестве примера. Аналогичные параметры установлены для различных стандартизированных и нестандартизированных шайб. Стандартом ISO 4759-3:2000 (DIN 522) устанавливаются требования к допускам для шайб класса точности A и C.
В случае, когда в действующем базовом стандарте шайбы не установлены допуски, устанавливаются допуски приведенные в таблице:
|
№ |
Наименование допуска |
Номинальный размер |
Класс точности |
Примечания |
||
|
> |
≤ |
A |
C |
|||
|
1 |
Внутренний диаметр d 1 |
h |
d1 |
|||
|
- |
4 |
H13 |
H14 |
|||
|
4 |
- |
H14 |
H15 |
|||
|
2 |
Внешний диаметр d 2 |
h |
d2 |
|||
|
- |
4 |
H14 |
H16 |
|||
|
4 |
- |
H15 |
H16 |
|||
|
3 |
Толщина h |
h |
Предел допуска, мм |
|||
|
- |
0,5 |
± 0,05 |
± 0,10 |
|||
|
0,5 |
1 |
± 0,10 |
± 0,20 |
|||
|
1 |
2,5 |
± 0,20 |
± 0,30 |
|||
|
2,5 |
4 |
± 0,30 |
± 0,60 |
|||
|
4 |
6 |
± 0,60 |
± 1,00 |
|||
|
6 |
10 |
± 1,00 |
± 1,20 |
|||
|
10 |
20 |
± 1,20 |
± 1,60 |
|||
|
4 |
Разница толщины w = 1/2 (d2 - d1) d3 = (d2 + d1)/2 |
h |
∆ h* |
∆ h* относится к области измерения от d3-0,3w до d3+0,3w |
||
|
- |
0,5 |
0,025 |
- |
|||
|
0,5 |
1 |
0,05 |
||||
|
1 |
2,5 |
0,10 |
||||
|
2,5 |
4 |
0,15 |
||||
|
4 |
6 |
0,20 |
||||
|
6 |
10 |
0,30 |
||||
|
10 |
20 |
0,40 |
||||
|
5 |
Фаска |
α |
30-45° |
- |
|
|
|
e min |
0,25h |
|||||
|
e max |
0,5h |
|||||
|
6 |
Плоскостность |
h |
c* (t2)** |
* Допуск c — независимый от допуска толщины h показатель ** Для шайб из нержавеющей стали допуск корректируется на поправочный коэффициент 2с (DIN 522) и 1,5c (ISO 4759-3) |
||
|
- |
0,5 |
± 0,10 |
- |
|||
|
0,5 |
1 |
± 0,15 |
||||
|
1 |
2,5 |
± 0,20 |
||||
|
2,5 |
4 |
± 0,30 |
||||
|
4 |
6 |
± 0,40 |
||||
|
6 |
10 |
± 0,60 |
||||
|
10 |
20 |
- |
||||
|
7 |
Соосность b* |
d2 |
b(t1) |
Допуск b основан на внешнем диаметре d2 |
||
|
- |
50 |
2 IT 12 |
2 IT 15 |
|||
|
50 |
- |
2 IT 13 |
2 IT 16 |
|||
Числовые значения допусков и предельных отклонений, соответствующие полям допусков, мм:
|
Поля допусков |
Номинальные размеры |
|||||||||||||
|
≤ 3 |
> 3 |
> 6 |
> 10 |
> 18 |
> 30 |
> 50 |
> 80 |
> 120 |
> 180 |
> 250 |
> 315 |
> 400 |
||
|
≤ 6 |
≤ 10 |
≤ 18 |
≤ 30 |
≤ 50 (40) |
≤ 80 |
≤ 120 |
≤ 180 |
≤ 250 |
≤ 315 |
≤ 400 |
≤ 500 |
|||
|
Допус- |
IT 12 |
0,1 |
0,12 |
0,15 |
0,18 |
0,21 |
0,25 |
0,3 |
0,35 |
0,4 |
0,46 |
0,52 |
0,57 |
0,63 |
|
IT 13 |
0,14 |
0,18 |
0,22 |
0,27 |
0,33 |
0,39 |
0,46 |
0,54 |
0,63 |
0,72 |
0,81 |
0,89 |
0,97 |
|
|
IT 14 |
0,25 |
0,3 |
0,36 |
0,43 |
0,52 |
0,62 |
0,74 |
0,87 |
1 |
1,15 |
1,3 |
1,4 |
1,55 |
|
|
IT 15 |
0,4 |
0,48 |
0,58 |
0,7 |
0,84 |
1 |
1,2 |
1,4 |
1,6 |
1,85 |
2,1 |
2,3 |
2,5 |
|
|
IT 16 |
0,6 |
0,75 |
0,9 |
1,1 |
1,3 |
1,6 |
1,9 |
2,2 |
2,6 |
2,9 |
3,2 |
3,6 |
4 |
|
|
IT 17 |
1 |
1,2 |
1,5 |
1,8 |
2,1 |
2,5 |
3 |
3,5 |
4 |
4,6 |
5,2 |
5,7 |
6,3 |
|
|
Диапа- |
a 11 |
-0,27 |
-0,27 |
-0,28 |
-0,29 |
-0,3 |
-0,31 |
- |
- |
- |
- |
- |
- |
- |
|
-0,33 |
-0,345 |
-0,37 |
-0,4 |
-0,43 |
-0,47 |
- |
- |
- |
- |
- |
- |
- |
||
|
c 11 |
-0,06 |
-0,07 |
-0,08 |
-0,095 |
-0,110 |
-0,120 |
- |
- |
- |
- |
- |
- |
- |
|
|
-0,12 |
-0,145 |
-0,17 |
-0,205 |
-0,24 |
-0,28 |
- |
- |
- |
- |
- |
- |
- |
||
|
f 8 |
-0,006 |
-0,01 |
-0,013 |
-0,016 |
-0,02 |
-0,025 |
-0,03 |
-0,036 |
-0,043 |
-0,05 |
-0,056 |
-0,062 |
-0,068 |
|
|
-0,02 |
-0,028 |
-0,035 |
-0,043 |
-0,053 |
-0,064 |
-0,076 |
-0,09 |
-0,106 |
-0,122 |
-0,137 |
-0,151 |
-0,165 |
||
|
h 8 |
0/-0,014 |
0/-0,018 |
0/-0,022 |
0/-0,027 |
0/-0,033 |
0/-0,039 |
0/-0,046 |
0/-0,054 |
0/-0,063 |
0/-0,072 |
0/-0,081 |
0/-0,089 |
0/-0,097 |
|
|
h 9 |
0/-0,025 |
0/-0,03 |
0/-0,036 |
0/-0,043 |
0/-0,052 |
0/-0,062 |
0/-0,074 |
0/-0,087 |
0/-0,1 |
0/-0,115 |
0/-0,13 |
0/-0,14 |
0/-0,155 |
|
|
h 10 |
0/-0,04 |
0/-0,048 |
0/-0,058 |
0/-0,07 |
0/-0,084 |
0/-0,1 |
0/-0,12 |
0/-0,14 |
0/-0,16 |
0/-0,185 |
0/-0,21 |
0/-0,23 |
0/-0,25 |
|
|
h 11 |
0/-0,06 |
0/-0,075 |
0/-0,09 |
0/-0,11 |
0/-0,13 |
0/-0,16 |
0/-0,19 |
0/-0,22 |
0/-0,25 |
0/-0,29 |
0/-0,32 |
0/-0,36 |
0/-0,4 |
|
|
h 13 |
0/-0,14 |
0/-0,18 |
0/-0,22 |
0/-0,27 |
0/-0,33 |
0/-0,39 |
0/-0,46 |
0/-0,54 |
0/-0,63 |
0/-0,72 |
0/-0,81 |
0/-0,89 |
0/-0,97 |
|
|
h 14 |
0/-0,25 |
0/-0,3 |
0/-0,36 |
0/-0,43 |
0/-0,52 |
0/-0,62 |
0/-0,74 |
0/-0,87 |
0/-1 |
0/-1,15 |
0/-1,3 |
0/-1,4 |
0/-1,55 |
|
|
h 15 |
0/-0,4 |
0/-0,48 |
0/-0,58 |
0/-0,7 |
0/-0,84 |
0/-1,0 |
0/-1,2 |
0/-1,4 |
0/-1,6 |
0/-1,85 |
0/-2,1 |
0/-2,3 |
0/-2,5 |
|
|
h 16 |
0/-0,6 |
0/-0,75 |
0/-0,9 |
0/-1,1 |
0/-1,3 |
0/-1,6 |
0/-1,9 |
0/-2,2 |
0/-2,5 |
0/-2,9 |
0/-3,2 |
0/-3,6 |
0/-4 |
|
|
h 17 |
0/-1 |
0/-1,2 |
0/-1,5 |
0/-1,8 |
0/-2,1 |
0/-2,5 |
0/-3,0 |
0/-3,5 |
0/-4 |
0/-4,6 |
0/-5,2 |
0/-5,7 |
0/-6,3 |
|
|
js 14 |
±0,125 |
±0,15 |
±0,18 |
±0,215 |
±0,26 |
±0,31 |
±0,37 |
±0,435 |
±0,5 |
±0,575 |
±0,65 |
±0,7 |
±0,775 |
|
|
js 15 |
±0,2 |
±0,24 |
±0,29 |
±0,35 |
±0,42 |
±0,5 |
±0,6 |
±0,7 |
±0,8 |
±0,925 |
±1,05 |
±1,15 |
±1,25 |
|
|
js 16 |
±0,3 |
±0,375 |
±0,45 |
±0,55 |
±0,65 |
±0,8 |
±0,95 |
±1,1 |
±1,25 |
±1,45 |
±1,6 |
±1,8 |
±2 |
|
|
js 17 |
±0,5 |
±0,6 |
±0,75 |
±0,9 |
±1,05 |
±1,25 |
±1,5 |
±1,75 |
±2 |
±2,3 |
±2,6 |
±2,85 |
±3,15 |
|
|
k 6 |
+0,006 |
+0,009 |
+0,01 |
+0,012 |
+0,015 |
+0,018 |
- |
- |
- |
- |
- |
- |
- |
|
|
0 |
+0,001 |
+0,001 |
+0,001 |
+0,002 |
+0,002 |
- |
- |
- |
- |
- |
- |
- |
||
|
m 6 |
+0,008 |
+0,012 |
+0,015 |
+0,018 |
+0,021 |
+0,025 |
- |
- |
- |
- |
- |
- |
- |
|
|
+0,002 |
+0,004 |
+0,006 |
+0,007 |
+0,008 |
+0,009 |
- |
- |
- |
- |
- |
- |
- |
||
|
Диапа- |
D 9 |
+0,045 |
+0,06 |
+0,076 |
+0,093 |
+0,117 |
+0,142 |
- |
- |
- |
- |
- |
- |
- |
|
+0,02 |
+0,03 |
+0,04 |
+0,05 |
+0,065 |
+0,08 |
- |
- |
- |
- |
- |
- |
- |
||
|
D 10 |
+0,06 |
+0,078 |
+0,098 |
+0,012 |
+0,149 |
+0,18 |
- |
- |
- |
- |
- |
- |
- |
|
|
+0,02 |
+0,03 |
+0,04 |
+0,05 |
+0,065 |
+0,08 |
- |
- |
- |
- |
- |
- |
- |
||
|
D 11 |
+0,08 |
+0,105 |
+0,13 |
+0,16 |
+0,195 |
+0,24 |
- |
- |
- |
- |
- |
- |
- |
|
|
+0,02 |
+0,03 |
+0,04 |
+0,05 |
+0,065 |
+0,08 |
- |
- |
- |
- |
- |
- |
- |
||
|
D 12 |
+0,12 |
+0,15 |
+0,19 |
+0,23 |
+0,275 |
+0,33 |
+0,4 |
+0,47 |
+0,545 |
+0,63 |
+0,71 |
+0,78 |
+0,86 |
|
|
+0,02 |
+0,03 |
+0,04 |
+0,05 |
+0,065 |
+0,08 |
+0,1 |
+0,12 |
+0,145 |
+0,17 |
+0,19 |
+0,21 |
+0,23 |
||
|
E 11 |
+0,074 |
+0,095 |
+0,115 |
+0,142 |
- |
- |
- |
- |
- |
- |
- |
- |
- |
|
|
+0,014 |
+0,02 |
+0,025 |
+0,032 |
- |
- |
- |
- |
- |
- |
- |
- |
- |
||
|
E 12 |
+0,1 |
+0,14 |
+0,175 |
+0,212 |
- |
- |
- |
- |
- |
- |
- |
- |
- |
|
|
+0,014 |
+0,02 |
+0,025 |
+0,032 |
- |
- |
- |
- |
- |
- |
- |
- |
- |
||
|
EF 8 |
+0,024 |
+0,032 |
+0,04 |
- |
- |
- |
- |
- |
- |
- |
- |
- |
- |
|
|
+0,01 |
+0,014 |
+0,018 |
- |
- |
- |
- |
- |
- |
- |
- |
- |
- |
||
|
H 9 |
+0,025 |
+0,03 |
+0,036 |
+0,043 |
+0,052 |
+0,062 |
+0,074 |
+0,087 |
+0,1 |
+0,115 |
+0,13 |
+0,14 |
+0,155 |
|
|
0 |
0 |
0 |
0 |
0 |
0 |
0 |
0 |
0 |
0 |
0 |
0 |
0 |
||
|
H 11 |
+0,06 |
+0,075 |
+0,09 |
+0,11 |
+0,13 |
+0,16 |
+0,19 |
+0,22 |
+0,25 |
+0,29 |
+0,32 |
+0,36 |
+0,63 |
|
|
0 |
0 |
0 |
0 |
0 |
0 |
0 |
0 |
0 |
0 |
0 |
0 |
0 |
||
|
H 13 |
+0,14 |
+0,18 |
+0,22 |
+0,27 |
+0,33 |
+0,39 |
+0,46 |
+0,54 |
+0,63 |
+0,72 |
+0,81 |
+0,89 |
+0,97 |
|
|
0 |
0 |
0 |
0 |
0 |
0 |
0 |
0 |
0 |
0 |
0 |
0 |
0 |
||
|
H 14 |
+0,25 |
+0,3 |
+0,36 |
+0,43 |
+0,52 |
+0,62 |
+0,74 |
+0,87 |
+1 |
+1,15 |
+1,3 |
+1,4 |
+1,55 |
|
|
0 |
0 |
0 |
0 |
0 |
0 |
0 |
0 |
0 |
0 |
0 |
0 |
0 |
||
|
H 15 |
+0,4 |
+0,48 |
+0,58 |
+0,7 |
+0,84 |
1 |
+1,2 |
+1,4 |
+1,6 |
+1,85 |
+2,1 |
+2,3 |
+2,50 |
|
|
0 |
0 |
0 |
0 |
0 |
0 |
0 |
0 |
0 |
0 |
0 |
0 |
0 |
||
|
JS 9 |
±0,0125 |
±0,015 |
±0,018 |
±0,0215 |
±0,026 |
±0,031 |
- |
- |
- |
- |
- |
- |
- |
|
|
K 9 |
0 |
0 |
0 |
- |
- |
- |
- |
- |
- |
- |
- |
- |
- |
|
|
-0,025 |
-0,03 |
-0,036 |
- |
- |
- |
- |
- |
- |
- |
- |
- |
- |
||





